AUTOMOTO
Zyskujące popularność
-
ŻYWICA POLIESTROWA 1KG
46,51 zł
-
RĘKAWICA DO MYCIA SAMOCHODU
23,91 zł
-
ŚRODEK DO CZYSZCZENIA POSADZEK PRZEMYSŁOWYCH RM 69 10L
326,57 zł
-
ABSORBER ZAPACHÓW NANOSILVER 650ML - ATOMIZER
19,04 zł
-
BUDOWA I REMONT
ELEKTRYKA
Zyskujące popularność
HYDRAULIKA
MASZYNY I URZĄDZENIANARZĘDZIA I ELEKTRONARZĘDZIA
ODZIEŻ I BHP
Wszystkie kategorie
Zastosowanie     
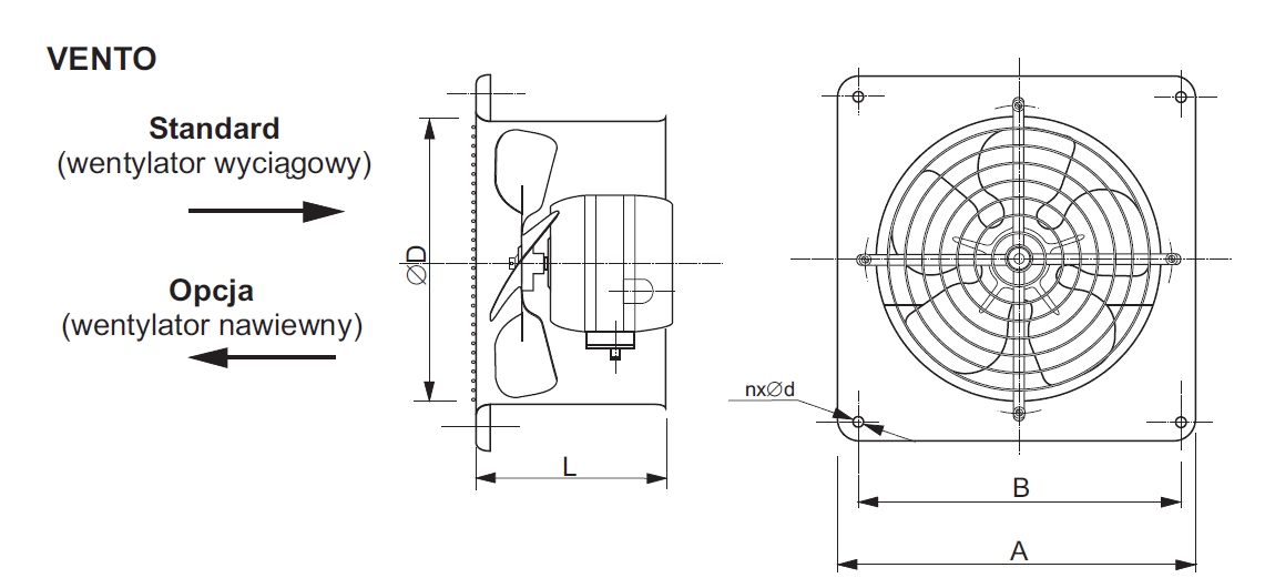
Przeznaczone do montażu okiennego lub ściennego, w pomieszczeniach sanitarnych, barach, sklepach, garażach, itp. Charakteryzuje się bardzo niskim poziomem hałasu, małym zużyciem energii i małym ciężarem.     
     
Konstrukcja     
Obudowa wentylatora – metalowa, proszkowo, wirnik – aluminiowy, siatka ochronna – drut stalowy ocynkowany. Silnik indukcyjny asynchroniczny jednofazowy klasy IP 42. Wentylatory te wykonywane są jako nawiewne i wyciągowe. VENTO-K oznacza wentylator w wersji kanałowej.     
     
Dane techniczne:     
Wydajność (max) w m3 – 275     
Spręż (max) – 58     
Moc kW 0,005     
Obroty na min. – 1300  
Napięcie zasilania (V) – 230     
     
Wymiary:    
D   180 mm     
A   240 mm     
B   180 mm     
L   115 mm     
nxd   4x7 mm     


